產品展示
Product Display
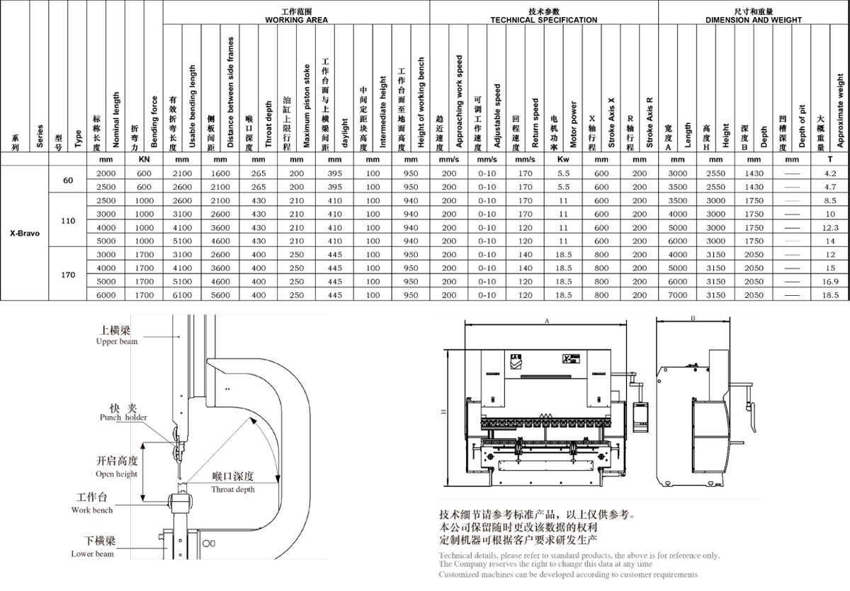
X-BRAVO 折彎機

? 簡單、標準、穩定、經濟實惠
LAG葛世產品對細節及設計的關注加上中國式生產力,再加上優良部件組合,使葛世能夠提供優良的鈑金機械。
? 穩定,操作簡單,使用壽命長
X-Bravo系列折彎機能保證在低成本下折彎,操作簡單。
? 先進的機器設備結構
X-Bravo系列折彎機一個顯著的特征為模塊化設計平臺,憑借多年豐富的經驗及先進的控制技術,秉承葛世螺栓聯接式模塊化機架結構,采用Q345鋼重型機架設計,保證機器裝配精度及機器使用壽命。
? 墻板比例型變補償系統
G-Reflex補償系統在X-BRAVO折彎機上的運用,無論折彎條件隨著板材厚度、長度或折彎的位置發生變化,都能保證每次折彎角度在全長內一致。
對于所有的折彎機,典型無法避免的問題的就是在折彎過程中懸臂結構的側墻板在反作用力下變形產生“張口”效應,如果用于測量行程的光柵尺直接固定在側墻板上,由于“張口”變形將導致光柵尺測量錯誤。為避免這種現象,我們的X-BRAVO折彎機的下橫梁底部二側用螺栓各固定了一個附加“C”型架用于聯接光柵尺。由于這個附加“C”型架獨立于機架本體結構,因此在折彎過程中不會隨上面所描述的墻板的變形而發生型變,從而保證機器的精度。
安裝G-Reflex補償系統之后,上橫梁的實際位置通過安裝在帶自動調節的平衡裝置和獨立的無變形影響的附加“C”型架上的二把光柵尺來檢測,因此,在折彎過程中這套G-Reflex補償系統會根據墻板”張口”的變形量自動光柵尺的測量誤差。
? 液壓補償系統
液壓補償系統在折彎過程中與G-Reflex系統同時配合確保折彎角度精度在全長范圍內保持一致。該系統可以補償上橫梁和下橫梁在被折彎工件反作用力下的變形。在折彎過程中,當材料種類、厚度、長度或折彎位置發生變時,通過操作人員試折彎并在數控系統內對補償值進行調整及設定,確保上下橫梁平行。
? 后擋料(X-R)軸聯動
作為保證折彎產品尺寸精度的后擋料系統是折彎機的另一重要組成部分。X-Bravo系列標準機型的2軸(X-R)后擋料確保能在靈活、高速度下完成幾乎所有復雜折彎工件的定位需求。也可根據要求選配4軸(X-R-Z1-Z2)后擋料。
側板加工面為基準面安裝直線導軌及齒輪齒條傳動方式,無需調整即可確保后檔料橫梁的左右支撐面平行度。由于采用消隙技術的齒輪齒條傳動,速度可高達600mm/秒。
鋁及鋼零件組合的后橫梁左、右支撐座可通過楔形機構分別對X軸方向及R軸方向微調,體現了LAG對折彎工藝的追求。
后擋料橫梁以鋼管作為主體結構確保橫梁堅固不變形,鋼管上方復合的專用鋁合金型材確保了橫梁的動態加速度及后擋指需要靈活多變的需求,并且可在鋁合金橫梁的全長范圍內任意位置的直線度及高度進行調整。
高度集成的X-R軸全密閉自潤滑一體式變速器,采用直聯雙驅動傳動方式,實現可靠傳動的同時確保左右方向的同步精度。
? 具有防碰撞系統的后擋指(中國發明專利,專利號ZL 2017 1 07355450.9)
當發生誤操作情況下導致后擋指受撞擊時,擋指塊會從底座上開;
避免了后擋料精度受到損害,同時更好地保證了操作人員人身。
后擋指數量可根據需要增加。
? 手動滑動托料架
高剛性組合結構式前托料架通過滾輪支撐沿直線導軌在z軸方向通過手動方式輕松實現左右滑動,高度也可以通過手柄方便調節。可根據需要為托料架選配帶停車位的特殊加長的下橫梁。
? 上模夾具
日本旭光H=100mm高精度手動單面快夾,無需扳手,僅需手指輕松扣動有二個檔位的手柄,兼容于歐式、日式及國產模柄結構的裝夾,一個人即可方便快速的從快夾側面或底部快速換刀。可根據需要選配雙面快夾或H=150mm的快夾。
? 下模夾具
LAG手動自定心夾具,用螺絲固定。當更換下模時,不需要調整上下模具自動與上模對中。
? 模塊化模具系統
經過磨削加工的分段的模具及多樣化的模具組合方式方便用戶的使用及更換。
主要標準配置
"C"型板變型補償系統G-Reflex
傳統液壓撓度補償系統X-CS
數控系統ESA 630 / Delem 58T
4+1軸(Y1-Y2-X-R+C)
后檔料GRP-2(X-R)
2個后檔指
CE標準(雙檔)腳踏開關
